• 您好,欢迎来到电子快手网!
  • 请登录
  • 免费注册
  • [ 手机app ]
  • 添加收藏
上海启水自动化科技有限公司
  • 商铺首页
  • 公司介绍
  • 供应信息
  • 公司资讯
  • 客户留言
  • 联系方式
公司信息
上海启水自动化科技有限公司
诚信商家
会员级别:试用会员
认证类型:企业认证
企业证件:通过认证
认证公司:上海启水自动化科技有限公司
联系人:彭南龙 (销售)
电   话:
手   机:
传   真:
在线留言 QQ交谈
产品分类
友情链接
公司简介 +
上海启水自动化科技有限公司
上海启水公司凭借雄厚的技术实力及多年从事 SIEMENS 产品的销售经验,本着树立公司形象和对用户认真负责的精神开展业务,赢得了 SIEMENS 公司与广大用户的好评及大力支持。但公司并未仅仅满足与现状:随着 SIMATIC S7 系列中小型 PLC 产品 S7200 、 S7300 及变频器 MM420 、 MM440 系列的成功推出,其优越的性能价格比受到众多配套生产厂商的关注,在纺织机械生产行业启水公司先后采用 S7 PLC 及 MM 、 MDV 变频器产品的电气控制系统的设计与编程,并在北京国际纺机展览会上获得了全面的成功;在其他行业如、上海供水装置的合作中也取得了良好的业绩,并在售后服务方面赢得了用户的一致好评。...
热门推荐 +
  • 暂无推荐信息
最新产品 +
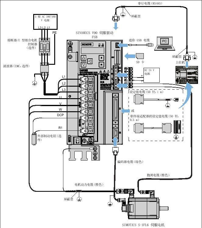
  • 西门子V90伺服电机代理商1FL6094-1AC61-2AH1 西门子V90伺服
  • 西门子PLC模块6ES7517-3AP00-OABO 西门子PLC模块
  • SM334AI4\/AO2西门子6ES7334-0CE01-OAAO SM334AI4
  • 西门子6ES7131-6BF00-OCAO 西门子6ES71
  • 西门子6ES7226-6BA32-0XB0 西门子6ES72
  • 西门子6ES7174-OAA1O-OAAO 西门子6ES71
  • 西门子电气6ES7521-1BH50-0AA0 西门子电气6ES
  • 西门子S7-1200热电阻信号板模块6ES7231-5PA30-0XB0PLC模组 西门子S7-12
  • 西门子6ES7523-1BP50-0AA0数字量输入输出模块 西门子6ES75
  • 西门子6GK1503-4CB00 西门子6GK15
  • 西门子模拟量输出模块6ES7532-5HF00-OABO 西门子模拟量输出
  • 西门子S7-400功能模块6ES7453-3AHOO-OAEO 西门子S7-40

网站首页 丨  供应产品 丨  公司简介 丨  公司资讯 丨  给我留言 丨  联系方式

上海启水自动化科技有限公司 地址:上海市松江区鼎源路618弄时尚谷创意园61号楼5楼
版权所有:电子快手网 经营许可证:浙B2-20080178