HS-80Y动力刀塔,Y轴动力刀塔,优思塔动力刀塔
HS-80Y动力刀塔,Y轴动力刀塔,优思塔动力刀塔
产品价格:¥45000(人民币)
  • 规格:HS-80Y
  • 发货地:常州
  • 品牌:
  • 最小起订量:1台
  • 诚信商家
    会员级别:钻石会员
    认证类型:企业认证
    企业证件:通过认证

    商铺名称:腾骥(天津)精密机械有限公司

    联系人:杨彦伟(先生)

    联系手机:

    固定电话:

    企业邮箱:1135953545@qq.com

    联系地址:天津市北辰区大张庄镇下殷庄支路与津围公路交口

    邮编:

    联系我时,请说是在电子快手网上看到的,谢谢!

    商品详情

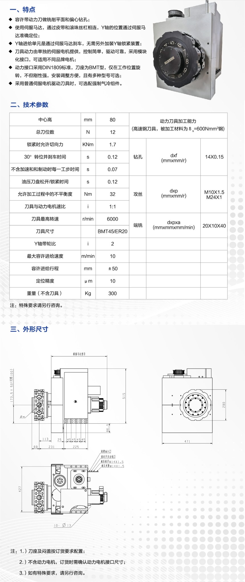
      特点:

      容许带动力刀做铣削平面和偏心钻孔;

      使用伺服马达,通过皮带和滚珠丝杆相连,Y轴的位置通过伺服马达准确定位;

      Y轴进给单元是通过伺服马达刹车,无需另外加Y轴锁紧装置;

      刀具动力由单独的伺服电机提供,控制简单,驱动可靠,采用模块化接口,可适用不同品牌电机;

      动力接口采用DIN1809标准,刀座为BMT型,仅在工作位置旋转,不但刚性强,安装调整方便,且有多种型号可选;

      采用普通伺服电机驱动刀具时,可选配强制气冷组件



      动力刀塔:

      在伺服刀塔的基础上装有动力刀具驱动模组,为用户提供方便,可靠的铣销功能;

      刀具动力由单独的伺服电机提供,控制简单,驱动可靠,采用模块化接口,可使用不同品牌电机;

      动力接口采用DIN1809标准,刀座为BMT型,仅在工作位置旋转,刚性强,安装调试方便,且有多做型号可选;

      采用普通伺服电机驱动刀具时,可选配强制气冷组件;

      动力刀具加工能力:

      钻孔:dxf

      mmxmm/r=14x0.15

      攻丝:dxp

      mmxmm/r=M10X1.5       mmxmm/r=M24X1.0

      铣端:dxpxa

      Mmxmmxmm/min=20x10x4

      SY90A     Y轴动力刀塔

      特点:

      Y轴专用伺服刀塔附加轴向刀具旋转系统构成,除继承本公司伺服刀塔的各项优点,还可为用户提供方便,可靠的铣削功能;

      针对Y轴刀塔使用特点设计,不但顶部及前侧面尺寸小,干涉小,而且采用众多铝合金零件,重量更轻;

      刀具动力由单独的伺服电机提供,控制简单,驱动可靠,采用模块化接口,可适用不同品牌电机;

      动力接口采用DIN1809标准,刀座BMT型仅在工作位置旋转,不但刚性强,安装调整方便,且有多种型号可选。

      //misumi-tj.taobao.com/




    0571-87774297