商铺名称:浙江通诚泵业有限公司
联系人:曾(先生)
联系手机:
固定电话:
企业邮箱:1391549234@139.com
联系地址:浙江省湖州市德清县新安镇工业园区
邮编:
联系我时,请说是在电子快手网上看到的,谢谢!
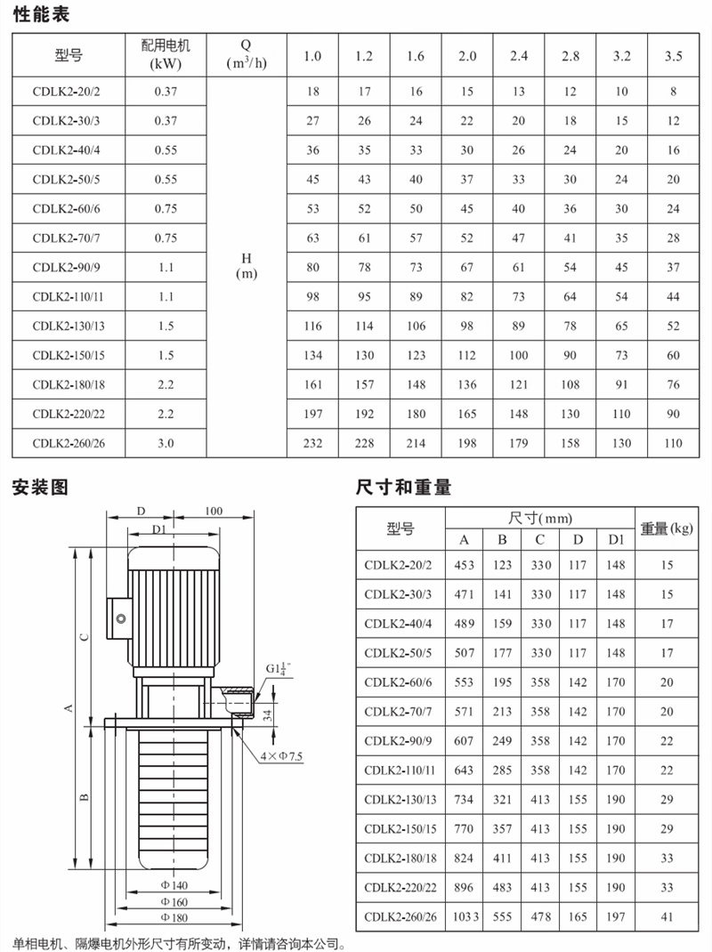
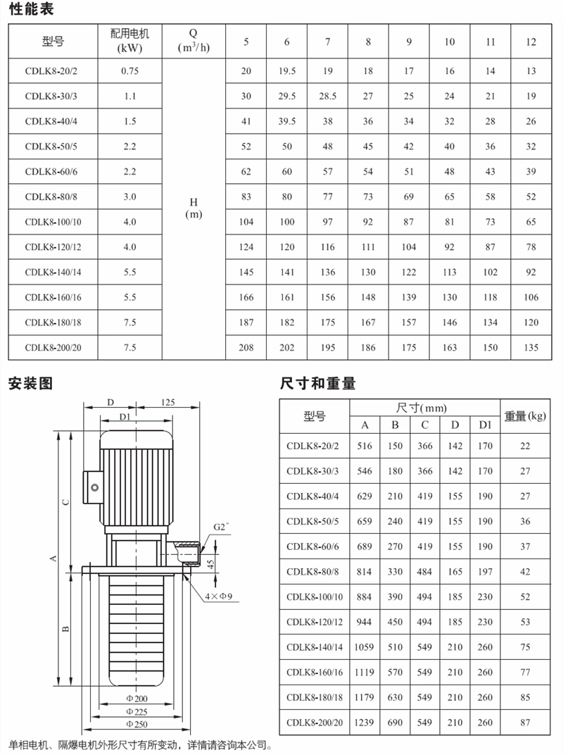
CDLK/CDLKF 浸入式多级离心泵
结构特点
CDLK/CDLKF为安装标准电机的非白吸浸入式多级离心泵,电机轴通过泵头用联轴器直接与泵轴联接,泵可根据需要配置智能保护器,对泵干转、缺相、过载等进行有效保护。为满足水槽或容器的安装深度,可安装空腔体来改变泵本身的长度,不同的级数长度见尺寸和重量表和可供产品范围表。应用于输送机床冷却液,润滑液,冷凝水输送,工业清洗设备和其它适合浸入式泵使用的场合,适应于不同温度、流量和压力范围,CDLK适用于无腐蚀性液体,CDLKF适用于轻度腐蚀性液体。
性能优势概括
>曲线容差符合ISO9906:2012,3B等级
>空导叶结构设计,满足同扬程下不同的液位高度需求
>F级绝缘、B级温升,标配NSK、SKF轴承,护航强劲动力输出
产品应用领域
>电火花、车床、磨床、加工中心。
>冷却装置、工业清洗设备、过滤系统等
下列说明适用于样本所示的曲线
>所有曲线都基于电机在恒速2900 rpm的测量值。
>曲线容差符合ISO9906:2012,3B等级。
>测试采用20℃不含空气的水,运动粘度为1mm2/s。
>使用参照加粗曲线的性能范围,以防流量过小产生过热和流量过大使电机过载等。














