HC-1Z单相智能电量变送器
HC-1Z单相智能电量变送器
产品价格:¥650(人民币)
  • 规格:HC-1Z
  • 发货地:江苏常州市
  • 品牌:
  • 最小起订量:1台
  • 免费会员
    会员级别:试用会员
    认证类型:企业认证
    企业证件:通过认证

    商铺名称:江苏中正惠测科技有限公司

    联系人:许勇(先生)

    联系手机:

    固定电话:

    企业邮箱:835812687@qq.com

    联系地址:江苏省常州市武进区牛塘镇,青云工业园,大通西路200号创智云谷产业园二期12号楼2层东侧,

    邮编:

    联系我时,请说是在电子快手网上看到的,谢谢!

    商品详情


      产品简介

      本产品可将单相交流电压、电流、有功功率、无功功率、

      功率因数等隔离转换为标准直流模拟信号输出,可最多3路参数

      同时输出,输出参数可选1~3路任意组合;

      该产品采用专用电量测量芯片,24位高精度AD交流采样,

      交流真有效值测量方式,专业MCU数字校准与处理,具有高精度、

      高隔离、性能稳定、抗干扰能力强等特点。

      标准DIN导轨(35mm)安装,插拔式端子接线;

       

       

      技术参数

      1. 执行标准:GB/T 13850-1998,ICE688:1992

      2. 输入规格:电压量程100V、260V、450V等可选

      电流量程1A、5A等可选,超过5A量程需外配互感器;

      3. 输入频率:工频,45~65Hz

      4. 输入阻抗:电压通道≥1.4KΩ/V;电流通道≤100mΩ

      5. 输入过载能力:1.2倍量程可持续;瞬间(<10周波)电流5倍、电压3倍量程不损坏

      6. 输出规格:0~20mA、4~20mA、0~5V、0~10V等标准直流信号

      7. 精度等级:0~5/10V输出型±0.2%F.S,0/4~20mA输出型±0.5%F.S

      8. 线性范围:1%~100%标称值

      9. 输出负载能力:电压输出型5mA;电流输出型≤650W24V电源),≤200W12V电源)

      10. 输出纹波:≤10mV(有效值,额定输出负载时)

      11. 响应时间:≤300ms

      12. 耐压强度:输入/输出/外壳间2000VAC/min;500VDC时>100MΩ

      13. 工作环境:-10℃~60℃;相对湿度5~95%无结露

      14. 温度漂移:≤100PPM(-10℃~+60℃范围内)

      15. 辅助电源:DC12~24V

      16. 消耗电流:≤30mA×输出通道数

      17. 安装方式:35mm 标准DIN导轨安装

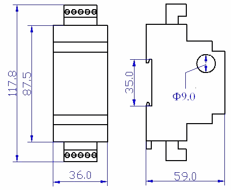
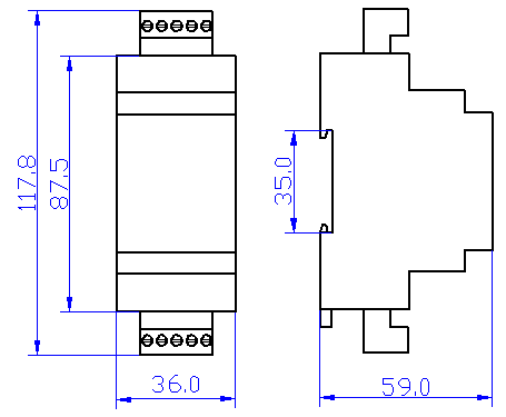
      18. 产品尺寸:  118×36×59mm

       

      外型及安装

       

       

                                          A型外型尺寸图                                                                                            F型(电流穿心输入)外型尺寸图    

      安装:采用35mm 标准DIN导轨安装,固定导轨后,将产品卡入导轨即可;

      接线:使用0.2~3.3mm2的电缆(电流的输入线应选用大于2mm2的电缆),从每条线的端部剥去6mm连接在端子上,并将导线插入连接端子的相应位置。将接线螺钉力矩紧至0.56~0.79N·m。

       

       

      典型接线示意图

       

                                                        HC-1Z智能电量变送器接线示意图

    0571-87774297