HC-1T系列信号隔离器/配电器
HC-1T系列信号隔离器/配电器
产品价格:¥650(人民币)
  • 规格:HC-1T
  • 发货地:江苏常州市
  • 品牌:
  • 最小起订量:1台
  • 免费会员
    会员级别:试用会员
    认证类型:企业认证
    企业证件:通过认证

    商铺名称:江苏中正惠测科技有限公司

    联系人:许勇(先生)

    联系手机:

    固定电话:

    企业邮箱:835812687@qq.com

    联系地址:江苏省常州市武进区牛塘镇,青云工业园,大通西路200号创智云谷产业园二期12号楼2层东侧,

    邮编:

    联系我时,请说是在电子快手网上看到的,谢谢!

    商品详情


      产品简介

      本系列产品采用电磁隔离与光电隔离等技术,可将0/4~20mA、0/1~5/10V等信号隔离转换为1路或多路的0/4~20mA、0/1~5/10V标准直流信号输出,带配电输出型的还可为现场变送器提供一个隔离电源。

      本系列产品具有高精度、高隔离、低功耗、低漂移、温度范围宽、性能稳定、抗干扰能力强等特点。

      标准DIN导轨(35mm)安装,插拔式端子接线;

       

      技术参数

      1. 执行标准:GB/T 13850-1998,ICE688:1992

      2. 输入规格:0~20mA、4~20mA、0~5V、0~10V、0~75mV等直流信号;

      3. 输入阻抗:输入电流型≤200Ω,电压型≥10KWV;

      4. 输出规格:0~20mA、4~20mA、0~5V、0~10V、0~±10V等标准直流信号

      5. 配电输出电压:15~24V,最大输出电流25mA;

      6. 精度等级:0~5/10V输出型±0.2%F.S,0/4~20mA输出型±0.5%F.S

      7. 线性范围:1%~100%标称值

      8. 输出负载能力:电压输出型≤5mA;电流输出型≤350W

      9. 输出纹波:≤10mV(有效值,额定输出负载时)

      10. 响应时间:≤300ms

      11. 耐压强度:输入/输出/电源/外壳间2000VAC/min;500VDC时>100MΩ

      12. 工作环境:-10℃~60℃;相对湿度5~95%无结露

      13. 温度漂移:≤100PPM(-10℃~+60℃范围内)

      14. 辅助电源:DC24V DC12V

      15. 消耗电流:≤30mA+输出负载电流;

      16. 安装方式:35mm 标准DIN导轨安装

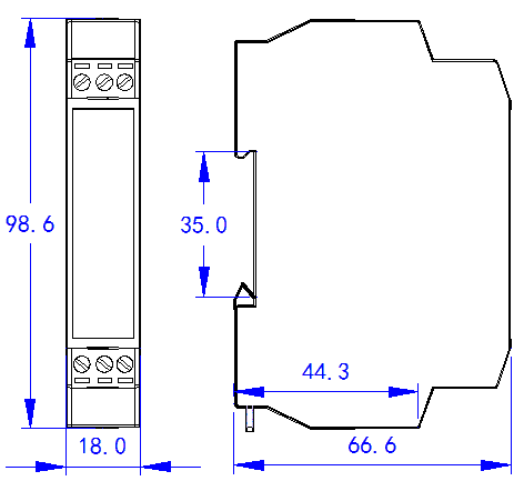
      17. 产品尺寸:  98.6*18*66.6mm

       

      外型及安装

       

      E型外型尺寸图               

      安装:采用35mm 标准DIN导轨安装,固定导轨后,将产品卡入导轨即可;

      接线:使用0.2~3.3mm2的电缆,从每条线的端部剥去6mm连接在端子上,并将导线插入连接端子的相应位置。将接线螺钉力矩紧至0.56~0.79N·m。

       

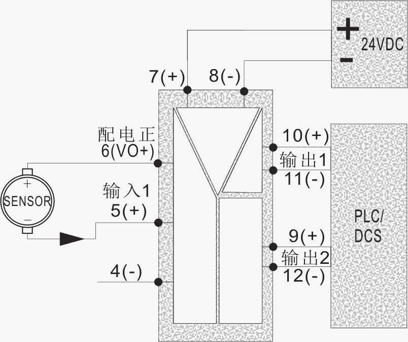
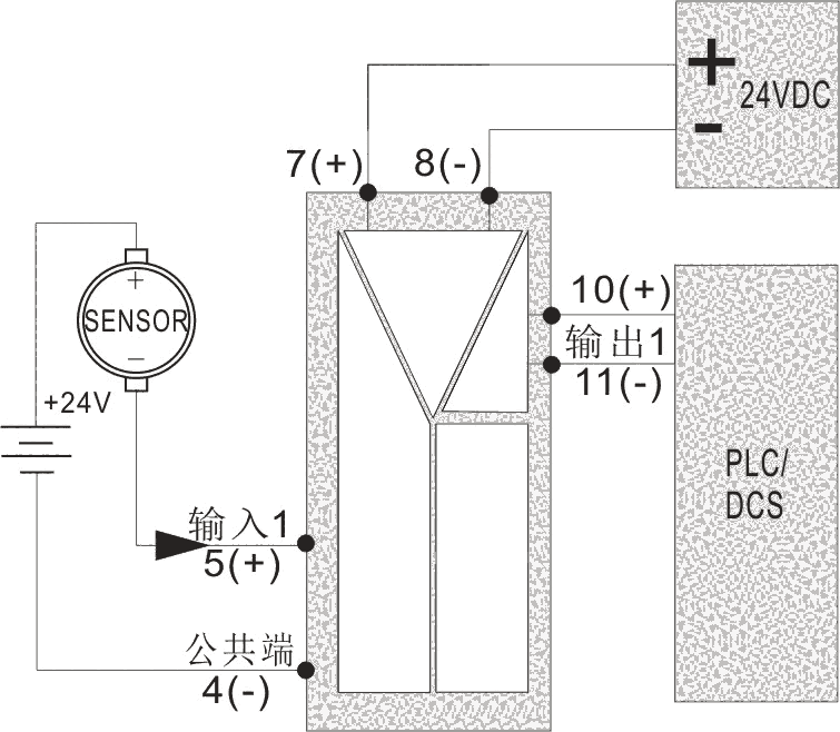
      典型接线示意图(实际接线请参照产品侧面标签)

       

                                                                                             1、1入1出典型应用        


       

                                                                                                                    1、2入2出典型应用

       


              

              

       

       

       

                                                                                                   2、1入2出带配电典型应用

       

       

      信号输入接线示意图


       

                                                                             1、信号输入

       

       

                                                              2、带配电型信号输入

       

       

      产品型号说明:


      订购

      为方便您的订货、避免差错和不必要的麻烦,让我们更好地为您服务,在订货时希望您能够提供如下信息: 

       型:  □ E: 98.6*18*66.6mm可插拔端子型  

      输入通道数量:□ 1路  □ 2路

      输出通道数量:□ 1路  □ 2路   3路   

      输入信号类型:□4~20mA □0~20mA  □0~10mA □0~5V □0~10V R0~±10V □        

      输出信号类型:□4~20mA □0~20mA  □0~10mA □0~5V □0~10V  □0~±10V

      工作电源:□DC12V   □DC24V

      配电输出:□无   □DC16V        

      注意事项

      1. 注意产品标签上的辅助电源信息,隔离器的辅助电源等级和极性不可接错,否则将损坏隔离器。

      2. 隔离器在有强电磁干扰的环境中使用时,请注意输入线的屏蔽,输出信号应尽可能短。集中安装时,最小安装间隔不应小于10mm。

      3. 当隔离器输入、输出馈线暴露于室外恶劣气候环境之中时,应注意采取防雷措施。

      4. 请勿损坏或修改产品的标签、标志,请勿拆卸或改装产品,否则本公司将不再对该产品提供“三包”(包换、包退、包修)服务。

    0571-87774297