HC-1V1E系列交流电压变送器
HC-1V1E系列交流电压变送器
产品价格:¥850(人民币)
  • 规格:HC-1V1E
  • 发货地:江苏常州市
  • 品牌:
  • 最小起订量:1台
  • 免费会员
    会员级别:试用会员
    认证类型:企业认证
    企业证件:通过认证

    商铺名称:江苏中正惠测科技有限公司

    联系人:许勇(先生)

    联系手机:

    固定电话:

    企业邮箱:835812687@qq.com

    联系地址:江苏省常州市武进区牛塘镇,青云工业园,大通西路200号创智云谷产业园二期12号楼2层东侧,

    邮编:

    联系我时,请说是在电子快手网上看到的,谢谢!

    商品详情

       

      产品简介

      本系列产品可以将被测的交流电压隔离转换为按线性比例输出的标准直流电压或直流电流信号;

      具有高精度、高隔离、性能稳定、抗干扰能力强等特点。

      标准DIN导轨(35mm)安装,1P(18mm)宽度,插拔式端子接线;

       

      技术参数

      1. 执行标准:GB/T 13850-1998,ICE688:1992

      2. 输入规格:电压量程100V、260V、450V等可选

      3. 输入频率:工频,45~65Hz

      4. 输入阻抗:电压通道≥1.4KΩ/V

      5. 输入过载能力:1.2倍量程可持续;瞬间(<10周波)5倍量程不损坏

      6. 输出规格:0~20mA、4~20mA、0~5V、0~10V等标准直流信号

      7. 精度等级:0~5/10V输出型±0.2%F.S,0/4~20mA输出型±0.5%F.S

      8. 线性范围:1%~100%标称值

      9. 输出负载能力:电压输出型5mA;电流输出型≤650W24V电源),≤200W12V电源)

      10. 输出纹波:≤10mV(有效值,额定输出负载时)

      11. 响应时间:≤300ms

      12. 耐压强度:输入/输出/外壳间2000VAC/min;500VDC时>100MΩ

      13. 工作环境:-10℃~60℃;相对湿度5~95%无结露

      14. 温度漂移:≤150PPM(-10℃~+60℃范围内)

      15. 辅助电源:DC12~24V

      16. 消耗电流:≤25mA

      17. 安装方式:35mm 标准DIN导轨安装

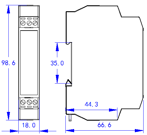
      18. 产品尺寸:  98.6×18×66.6mm;

       

       

      外型及安装

       

       

      E型外型尺寸图

       

      安装:采用35mm 标准DIN导轨安装,固定导轨后,将产品卡入导轨即可;

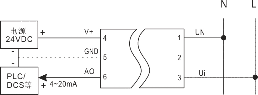
      接线:使用0.2~3.3mm2的电缆(电流的输入线应选用大于2mm2的电缆),从每条线的端部剥去6mm连接在端子上,并将导线插入连接端子的相应位置。将接线螺钉力矩紧至0.56~0.79N·m。

       

      典型接线示意图

       

       


      HC-1V1E系列电压变送器接线示意图

       

    0571-87774297