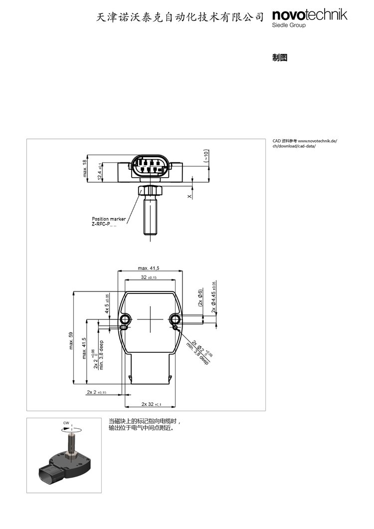
诺沃泰克塑胶切割车辆NOVOHALL角度传感器非接触式的RFE-3200比例电压
诺沃泰克塑胶切割车辆NOVOHALL角度传感器非接触式的RFE-3200比例电压
产品价格:¥\u9762\u8bae(人民币)
  • 规格:完善
  • 发货地:天津天津
  • 品牌:
  • 最小起订量:1
  • 免费会员
    会员级别:试用会员
    认证类型:企业认证
    企业证件:通过认证

    商铺名称:天津诺沃泰克自动化技术有限公司

    联系人:李刚()

    联系手机:

    固定电话:

    企业邮箱:

    联系地址:

    邮编:

    联系我时,请说是在电子快手网上看到的,谢谢!

    商品详情
      产品参数
      包装托盘
      最小包装量1
      品类齐全
      服务完善
      技术先进
      合作广泛
      数量1
      封装纸盒
      发货地天津
      售卖地全国
      可售卖地北京;天津;河北;山西;内蒙古;辽宁;吉林;黑龙江;上海;江苏;浙江;安徽;福建;江西;山东;河南;湖北;湖南;广东;广西;海南;重庆;四川;贵州;云南;西藏;陕西;甘肃;青海;宁夏;新疆










    0571-87774297