SpectrumTS-M2p.59系列PCIe数字化仪数据采集卡
SpectrumTS-M2p.59系列PCIe数字化仪数据采集卡
产品价格:¥\u9762\u8bae(人民币)
  • 规格:完善
  • 发货地:广东广州
  • 品牌:
  • 最小起订量:1
  • 免费会员
    会员级别:试用会员
    认证类型:企业认证
    企业证件:通过认证

    商铺名称:广州虹科电子科技有限公司

    联系人:陈秋苑(小姐)

    联系手机:

    固定电话:

    企业邮箱:cqy@hkaco.com

    联系地址:广州市五山华南理工大学国家科技园2号楼504-505

    邮编:510640

    联系我时,请说是在电子快手网上看到的,谢谢!

    商品详情
      产品参数
      品牌Spectrum
      是否支持加工定制
      是否进口
      产地德国
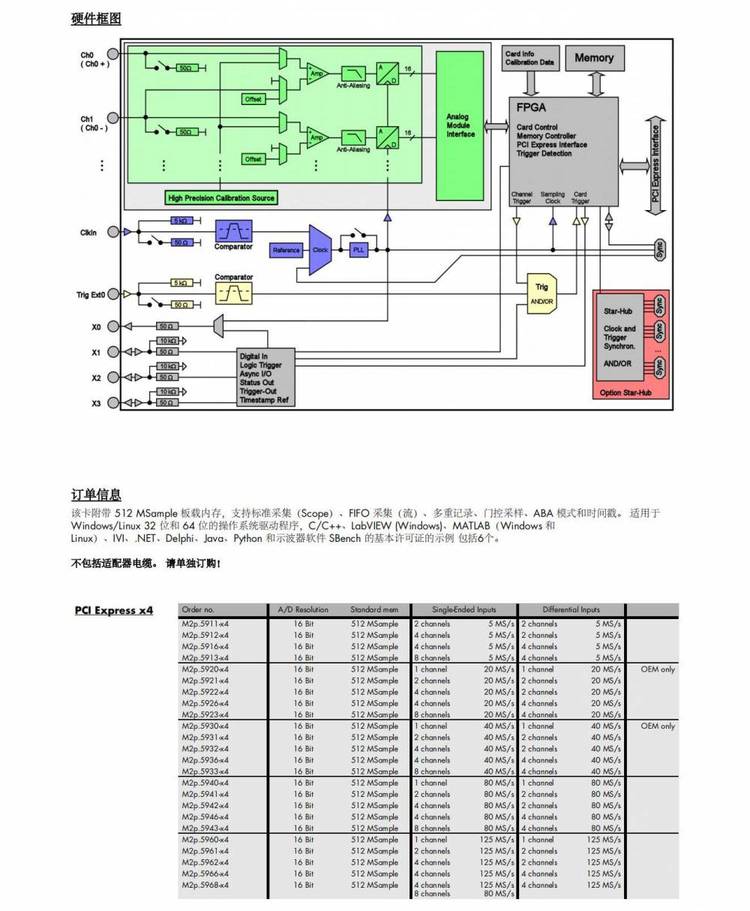
      采样率四个通道125MS/s或八个通道80MS/s
      测量精度16位
      接口PCIExpressx4接口
      同步采样在所有通道上同步采样
      板载内存512MSample(1GByte)
      触发方式窗口、重新启动、OR/AND触发
      系统同步卡数量最多16个
      特征单次采样、流模式采样、多轨记录、门控采样、ABA模式、时间戳功能
      电源适用于x4/x8/x16*PCle插槽
      ADC特性每个通道独立的专用16位ADC和放大器
      输入范围±200mV至±10V
      适用场景高速数据采集、数字化仪应用
      工作温度未明确说明,但符合工业标准
      质保服务未明确说明,详询客服
      种类分析仪器
      噪声低噪声设计,具体数值依型号而定
      可售卖地全国
      类型PCIe高速数字化仪/高速数据采集卡
      型号TS-M2p.59系列
















    0571-87774297