DZG品牌三相交流CT式电能表D3034(国外用)
DZG品牌三相交流CT式电能表D3034(国外用)
产品价格:¥400(人民币)
  • 规格:D3034
  • 发货地:浙江杭州市
  • 品牌:
  • 最小起订量:1个
  • 免费会员
    会员级别:试用会员
    认证类型:企业认证
    企业证件:通过认证

    商铺名称:浙江瑞银电子有限公司

    联系人:徐昌国(先生)

    联系手机:

    固定电话:

    企业邮箱:464333839@qq.com

    联系地址:浙江省杭州市余杭区仁和街道奉欣路98号

    邮编:311113

    联系我时,请说是在电子快手网上看到的,谢谢!

    商品详情

      ▌产品简介

      这是一款需要接电流互感器的三相交流CT式电能表,工作电压3x230/400V,电流1(6)A,有功精度等级为0.5S,无功为2.0级。通过CSA、MID认证。

      这不是一款普通的三相电能表,还因为它是面向国外市场(德国),它是采用大规模集成电路,使用了高精度的电能计量专用芯片,并应用 数字采样处理技术及 SMT 工艺,根据用户实际用电状况所设计制造的具有现代先进水平的仪表。

      ▌功能特点 

      内嵌高速高精度的交流电压电流采集模块,采样精度高,电能计量实时精确;

      计量有功总电量、无功总电量、分相电量及需量、历史能量记录、瞬时值、负荷曲线记录读取,并具有 RS485 通讯、远动脉冲输出等功能;

      技术指标

      ?准确度等级:有功 0.5S 无功 

      ?额定频率: 50Hz 

      ?起动电流: 互感式:有功 0.001In (0.5S 

      ?潜动: 具有防潜动逻辑设计 

      ?外型尺寸: 86mm?87.5mm?62mm 

      ?重量: 约 0.5kg

      ?电气参数: 

      正常工作电压:0.9Un1.1Un  扩展工作电压:0.8Un1.15Un 

      每相电压线路功耗:≤ 2W 10VA  每相电流线路功耗:1VA 

      ?气候条件: 

      正常工作温度:-25℃~+70℃ 极限工作温度:-40℃~+85

      贮存和运输温度:-45℃~+85℃ 贮存和工作湿度:年平均≤75

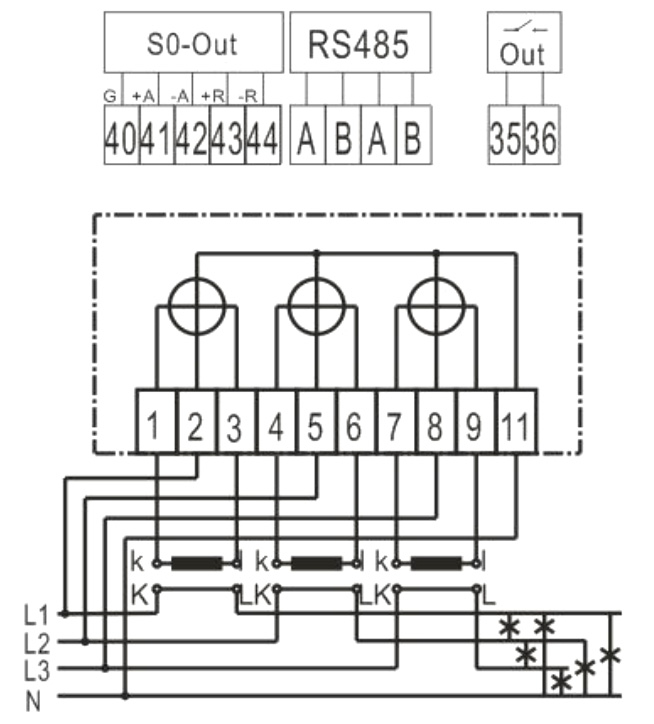
      安装及接线 

      电能表安装在室内通风干燥的地方,确保安装使用安全、可靠,在有污秽或可能损坏电能表的场所,电能 表应用保护柜保护。

      该表为标准式轨道安装,具体接线图如下:

    0571-87774297