定电压输入无稳压双输出1KV DC/DC隔离电源模块厂家直销
定电压输入无稳压双输出1KV DC/DC隔离电源模块厂家直销
产品价格:¥18.5(人民币)
  • 规格:A0505-1W
  • 发货地:广东深圳市
  • 品牌:
  • 最小起订量:1只
  • 免费会员
    会员级别:试用会员
    认证类型:企业认证
    企业证件:通过认证

    商铺名称:深圳市顺源科技

    联系人:刘小姐(小姐)

    联系手机:

    固定电话:

    企业邮箱:430750860@qq.com

    联系地址:中环路东一工业区6栋2楼

    邮编:

    联系我时,请说是在电子快手网上看到的,谢谢!

    商品详情
      定电压输入无稳压双输出1KV DC/DC隔离电源模块厂家直销
      产品简介
      AxxxxS-xW隔离电源模块,1KVAC隔离非稳压双输出,输出功率:0.1W ~2W。主要用于运算放大器双电源供电,RS232/RS485、CAN总线等数字接口电源隔离。隔离电压1KVAC主要用在工业控制仪器仪表、现场设备与计算机总线RS485/RS232接口智能控制等行业。
      定电压输入无稳压双输出1KV DC/DC隔离电源模块厂家直销
      工作原理

      定电压输入无稳压双输出1KV DC/DC隔离电源模块厂家直销
      主要参数
      输出功率范围……‥0.25~2W
      标称输入电压
      ‥3.3,5,9,12,15,24VDC
      标称输出电压±5,±9,±12,±15VDC
      隔离电压
      ‥1000VAC
      输出精度±5%
      封装方式
      ‥SIP7/DIP14
      纹波/噪音‥150mVp-p(20MHZ带宽)
      效率   ‥70%~85%
      工作温度‥-40℃~85℃
      定电压输入无稳压双输出1KV DC/DC隔离电源模块厂家直销
      应用领域
      A S/D系列主要用于运算放大器双电源供电,RS232/RS485、CAN 总线等数字接口电源隔离;隔离电压1KVAC.
      主要用在工业控制仪器仪表、现场设备与计算机总线RS232/RS485接口智能控制等行业。


       定电压输入无稳压双输出1KV DC/DC隔离电源模块厂家直销
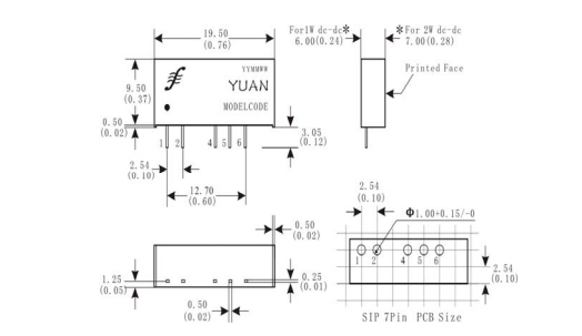
      外形尺寸

        
      定电压输入无稳压双输出1KV DC/DC隔离电源模块厂家直销
      产品检测数据及型号举例


    0571-87774297