WB150-1.5kw圆法兰摆线减速机配伺服电机步进电机针轮减速器
WB150-1.5kw圆法兰摆线减速机配伺服电机步进电机针轮减速器
产品价格:¥580.00(人民币)
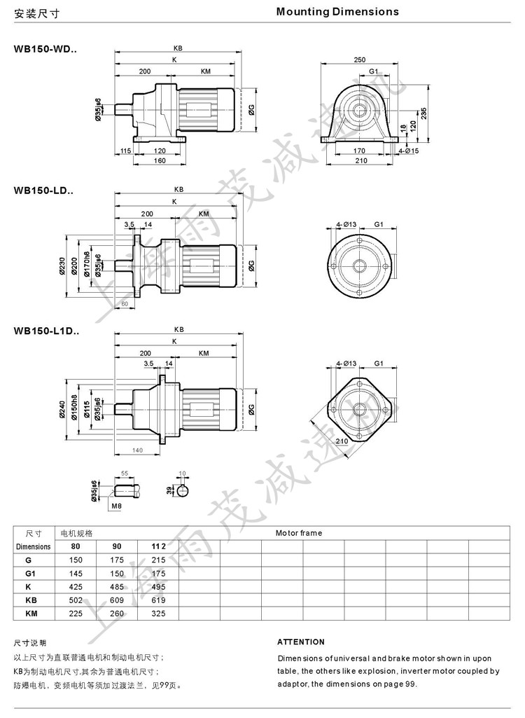
  • 规格:WB150
  • 发货地:浙江温州
  • 品牌:
  • 最小起订量:1
  • 免费会员
    会员级别:试用会员
    认证类型:企业认证
    企业证件:通过认证

    商铺名称:上海雨茂机电科技有限公司

    联系人:(先生)

    联系手机:

    固定电话:

    企业邮箱:shyumau@163.com

    联系地址:

    邮编:

    联系我时,请说是在电子快手网上看到的,谢谢!

    商品详情
      产品参数
      是否进口
      额定电压380Vvv
      适用范围自动化机械设备
      产地浙江
      是否定制
      类别WB摆线针轮减速机
      电机极数4
      可选用减速比9-87
      品牌雨茂YUMAU
      功率0.37-3kww
      型号WB150
      许用转矩250N.m
















    0571-87774297