商铺名称:东莞市景泰电子科技有限公司(销售)
联系人:江鹏(先生)
联系手机:
固定电话:
企业邮箱:sales@jetech.cn
联系地址:东莞市长安镇霄边大道13号
邮编:523600
联系我时,请说是在电子快手网上看到的,谢谢!
产品参数 | |||
---|---|---|---|
是否进口 | 是 | ||
直线轴承个数 | 1 | ||
是否带导向轴 | 否 | ||
适用范围 | 医疗器械/半导体设备 | ||
产地 | 中国大陆 | ||
颜色 | 银色 | ||
功能用途 | ZR轴杆 | ||
是否定制 | 是 | ||
类别 | 滚珠花键 | ||
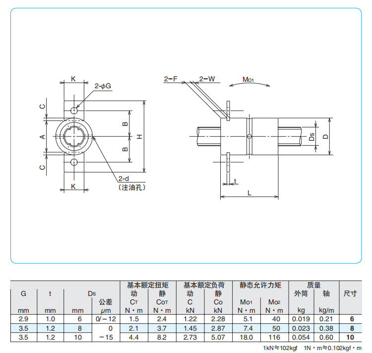
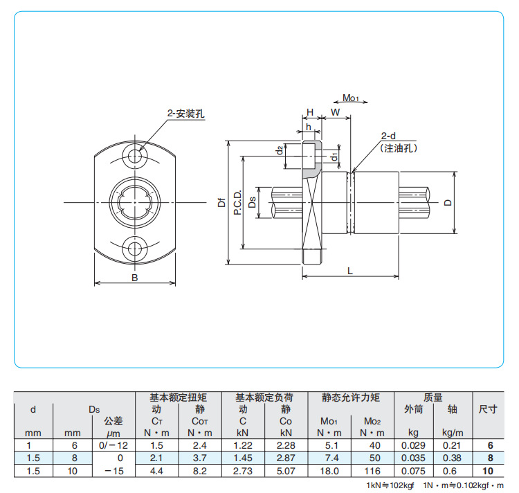
型号 | SSPF4/SSPF5/SSPF6 | ||
滚动体列数 | 其他 | ||
省份 | 广东省 | ||
地市 | 东莞市 | ||
产品材质 | 轴承钢 | ||
是否跨境专供货源 | 否 | ||
是否支持加工定制 | 是 | ||
适用品牌 | NB | ||
优点 | 高刚性/高精度/高同心度 | ||
精度等级 | 精密级 | ||
批发厂家 | 东莞景泰电子 | ||
品牌 | UVT |