美蓓亚三美(Mitsumi)的锂电池保护ICMM3723系列
美蓓亚三美(Mitsumi)的锂电池保护ICMM3723系列
产品价格:¥1000.00(人民币)
  • 规格:黑色
  • 发货地:广东深圳
  • 品牌:
  • 最小起订量:1
  • 免费会员
    会员级别:试用会员
    认证类型:企业认证
    企业证件:通过认证

    商铺名称:赛德力检测设备有限公司

    联系人:魏一(先生)

    联系手机:

    固定电话:

    企业邮箱:weiyi@sentel.cn

    联系地址:深圳市龙岗区663号汇和大夏7A

    邮编:518000

    联系我时,请说是在电子快手网上看到的,谢谢!

    商品详情
      产品参数
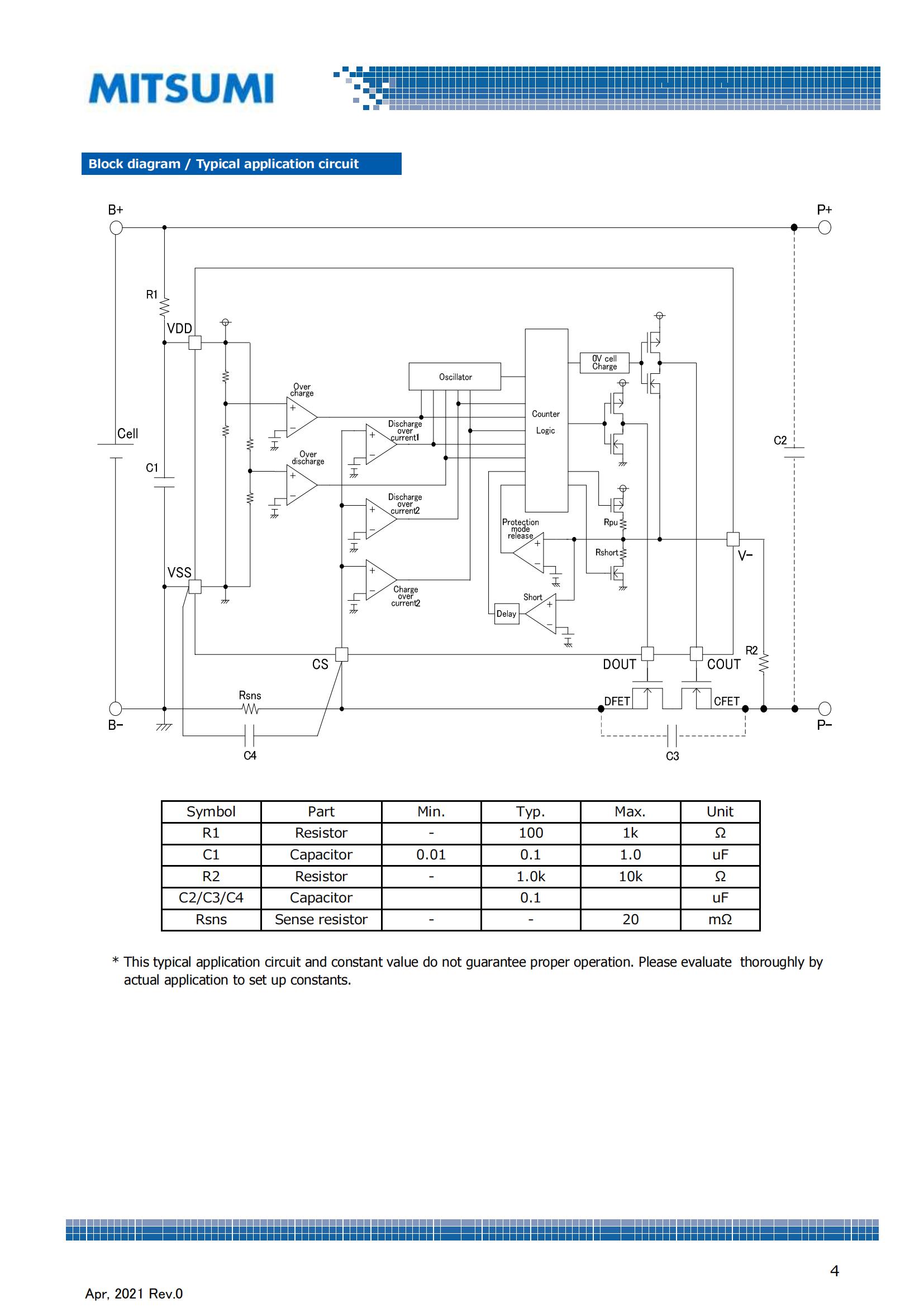
      型号MM3723
      系列HIPO?
      包装盒装
      零件状态在售
      类型电源保护
      通道数5
      功率-最大值2
      内部开关
      辅助作用
      标准9004
      电压-供电2
      数量1
      封装原厂包装
      批号20250227
      品牌美蓓亚三美(Mitsumi)




    0571-87774297