佳显科技工作温度可达-30度T6963C控制器低温液晶模块
佳显科技工作温度可达-30度T6963C控制器低温液晶模块
产品价格:¥100.00(人民币)
  • 规格:完善
  • 发货地:浙江杭州
  • 品牌:
  • 最小起订量:1
  • 免费会员
    会员级别:试用会员
    认证类型:企业认证
    企业证件:通过认证

    商铺名称:杭州佳显科技有限公司

    联系人:卢慧慧()

    联系手机:

    固定电话:

    企业邮箱:752574498@qq.com

    联系地址:下城区费家塘路588号

    邮编:310014

    联系我时,请说是在电子快手网上看到的,谢谢!

    商品详情
      产品参数
      品牌清达光电
      封装/规格模块
      包装盒装
      最小包装量1
      模块尺寸78*70MM
      显示尺寸62*44MM
      控制器T6963C
      数量1008
      封装TAB
      批号2024
      可售卖地全国
      型号HG12864

      1.T6963C控制器的12864液晶模块介绍:
      1).分辨率:128*64
      2).工作温度:-28- 70
      3).控制器:T6963C
      4).接口:并口
      5).显示效果:蓝底白字/黄绿底黑字


      2.产品参数



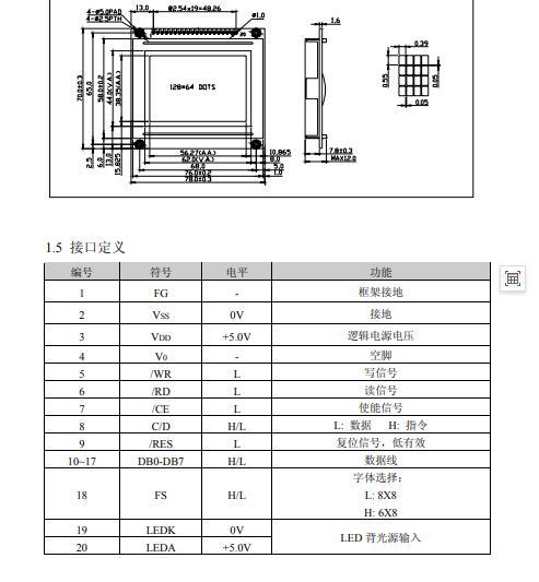
      3.脚位定义



      4.显示效果图




      5.工厂实况



      6.使用注意事项
      (1) 请仔细阅读产品说明书,按要求使用模块。
      (2) 避免剧烈震动、冲击、挤压和从高处掉落。
      (3) 避免在印有线路的工作平台上操作模块。
      (4) 操作 TFT 模块时,要始终保持操作人充分接地,使人体和模块保持同一电位。
      (5) 如果工作温度在最高工作温度,那么要求湿度小于等于 50RH。
      (6) 清理 TFT 屏表面时,建议使用软布带少许乙醇溶剂轻轻擦拭。
      (7) 只有模块上的输入/输出接口处可以焊接。
      (8) 模块需要长时间存储时,建议使用出厂时的原包装,不要直接暴露在高湿温环境存储,
      最佳存储条件:温度 0℃~40℃,湿度小于等于 80。

    0571-87774297