两路模拟量4-20mA\/0-10V转RS-485\/232AD转换器数据采集模块
两路模拟量4-20mA\/0-10V转RS-485\/232AD转换器数据采集模块
产品价格:¥39.00(人民币)
  • 规格:4-20ma
  • 发货地:广东深圳
  • 品牌:
  • 最小起订量:1
  • 免费会员
    会员级别:试用会员
    认证类型:企业认证
    企业证件:通过认证

    商铺名称: 深圳市埃索雷森电子技术有限公司

    联系人:杜先生(先生)

    联系手机:

    固定电话:

    企业邮箱:szasls@163.com

    联系地址:广东深圳市福田区下梅林龙尾路168号嘉梅工业区1号楼515~516

    邮编:518049

    联系我时,请说是在电子快手网上看到的,谢谢!

    商品详情
      产品参数
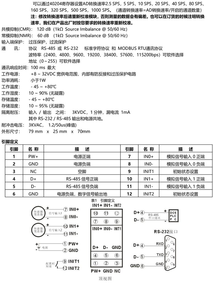
      两路模拟量4-20mA/0-10V转RS-485/232 AD转换器数据采集模块 品牌YULIN
      产品名称模拟量转RS-485/232 MODBUS数据采集模块
      产品特征模拟信号采集
      输入标准电压电流模拟信号
      输出232/485
      供电8 ~ 32VDC宽电源
      隔离电压3000VDC
      精度0.1
      采集精度16位
      封装DN35
      安装方式接线
      产品特点信号远距离传输
      是否支持定制支持定制
      尺寸69.5*79*35mm
      数量1000
      批号A380
      可售卖地全国
      型号YL121


    0571-87774297