日立能源集成门极换流晶闸管(IGCT)5SHY65L4522(6000A\/4500V)
日立能源集成门极换流晶闸管(IGCT)5SHY65L4522(6000A\/4500V)
产品价格:¥9.90(人民币)
  • 规格:完善
  • 发货地:湖北武汉
  • 品牌:
  • 最小起订量:1
  • 免费会员
    会员级别:试用会员
    认证类型:企业认证
    企业证件:通过认证

    商铺名称:武汉科美芯电气有限公司

    联系人:陈经理(先生)

    联系手机:

    固定电话:

    企业邮箱:cy@whkmx.com

    联系地址:武汉市东湖新技术开发区流芳大道52号武汉中国光谷文化创意产业园D区9-15栋1单元502号

    邮编:

    联系我时,请说是在电子快手网上看到的,谢谢!

    商品详情
      产品参数
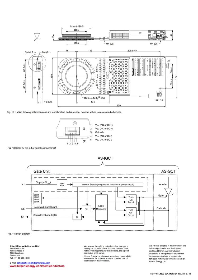
      日立能源 集成门极换流晶闸管(IGCT) 5SHY 65L4522(6000A/4500V) 品牌日立能源
      包装管装
      产品种类IGCT
      集电极-发射极电压4500V
      封装见资料
      集电极电流5000A
      数量2000
      配置咨询商家
      产地瑞士
      批号2023
      服务
      实力雄厚
      是否进口
      可售卖地北京;天津;河北;山西;内蒙古;辽宁;吉林;黑龙江;上海;江苏;浙江;安徽;福建;江西;山东;河南;湖北;湖南;广东;广西;海南;重庆;四川;贵州;云南;西藏;陕西;甘肃;青海;宁夏;新疆
      型号5SHY 35L4522





    0571-87774297