商铺名称:北京创宇星通科技有限公司
联系人:邢先生(先生)
联系手机:
固定电话:
企业邮箱:841244334@qq.com
联系地址:北京市海淀区学院南路68号吉安大厦A座502
邮编:100081
联系我时,请说是在电子快手网上看到的,谢谢!
| 产品参数 | |||
|---|---|---|---|
| 品牌 | Microchip | ||
| 产品特性 | 铷钟 | ||
| 是否进口 | 否 | ||
| 产地 | 美国 | ||
| 加工定制 | 否 | ||
| 测量范围 | ±5E-11 | ||
| 准确度 | ±5E-11 | ||
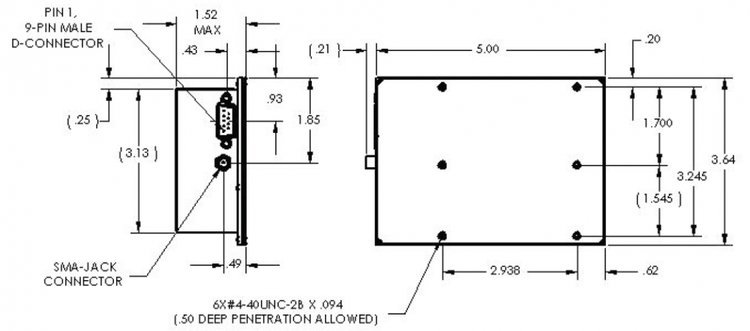
| 外形尺寸 | 38.1*127*94mm | ||
| 重量 | <0.5kg | ||
| 可售卖地 | 全国 | ||
| 型号 | 8040C | ||
??Microsemi公司的XPRO采用了传统的铷原子物理学和数字电子技术,是一款非常稳定的高-性能的铷原子钟,已经被无线基站设备,射频测试设备等使用。采用DB-9和SMA的标准接口,以及屏蔽外壳设计,便于植入时间和频率系统。
XPRO依赖于长寿命的铷泡和扩展的晶体控制范围设计,可长期免维护运行。XPRO标准版的老化率优于5E-11,在没有校准的情况下,可维持1E-9的精度10年,甚至更久。XPRO低老化率选项可提供1E-11的月老化率。
.jpg)
主要特征:
10MHz输出
1PPS输出
月老化率<5E-11,1E-11可选
数字化监控
良好的电磁兼容性
?Microsemi XPRO高-性能铷原子钟频率源
技术规格:
?
输出频率:
类型:10MHz,正弦
振幅:7.8±0.8dBm
阻抗:50Ω
连接器:SMA
SSB相位噪声:(@10MHz)
1Hz?≤-80dBc
10Hz?≤-90dBc
100Hz?≤-128dBc
1kHz?≤-145dBc
10kHz?≤-155dBc
谐波:<-60dBc
非谐波:<-80dBc
老化率:
月老化率:?<±5E-11
<±1E-11(选项)
10年:<±1E-9
稳定度(艾伦方差)
1s?≤1E-11
10s?≤3.2E-12
100s?≤1E-12
出厂精度:<±5E-11(25℃)
?
.jpg)