商铺名称:北京天工通宇科技有限公司
联系人:王小北()
联系手机:
固定电话:
企业邮箱:tgtyemc@163.com
联系地址:北京市海淀区上庄镇梅所屯村
邮编:100094
联系我时,请说是在电子快手网上看到的,谢谢!
北京电源滤波器 军用滤波器 直流滤波器 高性能滤波器
◆ 产品特点: 针对沿直流电源线传播的电磁干扰设计,两级滤波电路,优异的高、低频电磁噪声抑制特性,高性价比。
◆ 专为军用设备通过电磁兼容军标GJB
◆ 使用场合:用于一次电源的直流输出侧和二次电源的输入输出侧。
◆ 技术参数
额定电压 Rated Voltage |
100VDC |
||
额定电流 Rated Current |
|||
工作频率 Operating Frequency |
DC |
||
耐压试验 Test Voltage |
线—线 Line to line |
200VDC |
1min |
线—地 Line to ground |
500VDC |
1min |
|
产品类别 |
军工级 |
||
封装 |
镀镍金属外壳 |
||
温度范围 Temperature Range |
-55--+ |
||
端接方式 Termination Methods |
输入端 Input |
输出端 Output |
|
焊片 |
焊片 |
||
◆ 插入损耗 Insertion Loss in dB
— 共模(CM),--- 差模(DM) CM/DM
50Ω测量系统,GB7343/CISPR NO.17出版物 Measured in 50 ohm system ,as GB7343 or CISPR NO.17
插入损耗 (dB) |
||||||||||
频率(MHz) |
0.01 |
0.05 |
0.10 |
0.15 |
0.5 |
1.0 |
5.0 |
10 |
20 |
30 |
共 模 |
5 |
50 |
60 |
62 |
80 |
82 |
71 |
71 |
62 |
56 |
差 模 |
10 |
32 |
36 |
56 |
80 |
70 |
72 |
71 |
61 |
58 |
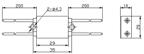
◆ 外形尺寸(封装)

◆ 参考标准
[1] GB/T15287―94 抑制射频干扰整件滤波器 第一部分 总规范
[2] GB/T15288―94 抑制射频干扰整件滤波器 第二部分 分规范
[3] UL1283―1984 电磁干扰滤波器安全标准
[4] GJB6242―2008 军用EMI电源滤波器规范
北京天工通宇科技有限公司是国内优质的电源滤波器制造商,电源滤波器批发商,期待新老用户来电求购电源滤波器。