商铺名称:北京天工通宇科技有限公司
联系人:王小北()
联系手机:
固定电话:
企业邮箱:tgtyemc@163.com
联系地址:北京市海淀区上庄镇梅所屯村
邮编:100094
联系我时,请说是在电子快手网上看到的,谢谢!
屏蔽室信号滤波器
Signal filters for Shielded Rooms
产品特点 Features
◆ 优异的宽频抑制特性
The shielding power filters have a good supper-ssion for the interference with the wide bandwidth
◆ 采用软电源线或视频线接头输入、输出方式,结构紧凑,安装方便
Using the flexible cables for input and output,very compact and easy to mount
u可按不同性能,工作电流,电压,外形尺寸和端接方式等要求定制
Customization design for different requirements such as performance,rated current,rated viltage,shape dimention and termination methods
使用场合 Application
◆ 用于屏蔽室、微波暗室或电子方舱的各种通信及控制信号线路的滤波,如电话通信、数据传输、空调控制、消防报警、对讲门铃等信号的传输和报警控制系统,可以满足国军标C,D级屏蔽体的屏蔽要求。
For shielded rooms and microwave darkrooms,also available for cabin filters,such as telephone,data communication,control and fire alarm.
技术参数 Technical Data
额定电压 Rated Voltage |
250VDC |
||
耐 电 压 Withstanding voltage |
线—线 Line to line |
500VDC |
1min |
线—地 Line to ground |
500VDC |
1min |
|
绝缘电阻 Insulation resistance |
≥ |
||
气候类别Climatic category |
55/85/21 |
||
型号modle |
额定电流 Rated Current (A) |
线数 Number of lines |
通带频率 Passband frequency |
适用范围 Typical applications |
SS201-1 |
1 |
2 |
4KHz |
电话、传真信号线 Telephone and fax signal |
SS202-1 |
1 |
2 |
100KHz |
交直流开关信号、空调控制、消防语音广播、门禁 AC/DC switch signal,air-con,voice and door access system control |
烟感,温感,消防,温湿度信号 |
||||
SS203-1 |
1 |
2 |
6MHz |
视频信号 Video system |
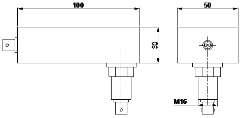
外形尺寸 Shape dimension
SS201-1 SS202-1

SS203-1
