HBM 扭矩传感器 T21WN
HBM 扭矩传感器 T21WN
产品价格:(人民币)
  • 规格:T21WN
  • 发货地:德国
  • 品牌:
  • 最小起订量:1个
  • 免费会员
    会员级别:试用会员
    认证类型:企业认证
    企业证件:通过认证

    商铺名称:莘默(上海)自动化设备有限公司

    联系人:许剑星(先生)

    联系手机:

    固定电话:

    企业邮箱:464500653@qq.com

    联系地址:

    邮编:

    联系我时,请说是在电子快手网上看到的,谢谢!

    商品详情
      HBM 在全球拥有29个分公司和销售办公室,并在60多个国家设有代表处。在德国达姆斯塔特,美国的马尔伯勒,葡萄牙的波尔图以及中国的苏州设有研发和生产中心。
      我们的高质量标准有目共睹: 1986, HBM 是德国首家获得 ISO9001 认证 的公司。1996, HBM 获得国际环境管理机构颁发的 ISO14001 认证。
      65 年来,HBM 测试和测量市场和技术一直深受客户信赖,从虚拟测试到真实的物理测量,HBM 可为多种行业测量应用提供产品和服务。
      全球用户依赖 HBM 完美匹配的测量链,确保测量结果的极高准确性,对整个产品生命周期进行优化:从开发到测试,以及制造和生产。
      HBM 产品范围涵盖传感器、应变片、放大器、数据采集系统以及用于结构耐久性测试和分析的软件。
      扭矩传感器和转矩传感器
      HBM 作为全球首家数字扭矩传感器的制造商,产品包括 扭矩传感器 (扭力传感器,转矩传感器), 以及用来测量反作用力的 非转动式 扭矩传感器 (扭力传感器)以及用于扭矩传感器 (扭力传感器) 的各种联轴器 和测量仪表。HBM 拥有 滑环和非接触式信号传输 专利技术,额定测量范围从 0.1 N·m 到 2 MN·m, 额定转速到40,000 rpm。
      HBM 扭矩传感器一直在业界享有盛誉。从1958 年开始, HBM 扭矩传感器(扭力传感器,转矩传感器)一直是行业标准,广泛应用于发动机和零部件测试台架,生产监控和实验室扭矩标定。
      DKD (德国校准服务机构) 的首家标定实验室 1977 在 HBM 成立。1990年7月13日,HBM 被 DKD 授予进行扭矩标定,多年以来, HBM 一直是德国唯一一家可进行 扭矩标定 服务的实验室,并负责制定国家标准.
      T12,T40FM,T40,T40B 是新一代数字扭矩传感器。其采用特殊模数转化方法,不仅带有错误识别功能,对电磁环境不,并且具有更高的采样率和更高的精度。

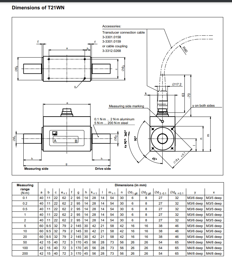
      T21WN 扭矩传感器: 扭矩测量到 200 Nm
      基于应变的 T21WN 扭矩传感器采用非接触式方式进行信号传输和供电。适用于非旋转和旋转部件的较低扭矩静态和动态测量。扭矩的额定输出信号为 +/-10 V。可用于测试台以及医疗工程研究实验室的材料或触觉测试。和 T20WN 一样,通过 VK20A 接线盒,T21WN 扭矩传感器可方便地集成到测量链中。

      HBM 精度等级: 0.2
      额定扭矩: 0.1 Nm 到 200 Nm
      额定转速(rpm): 到 20,000


    0571-87774297