韩国LS(LG) SV015IG5-4,SV015IG5-1变频器 1.5KW现货原装进口
韩国LS(LG) SV015IG5-4,SV015IG5-1变频器 1.5KW现货原装进口
产品价格:(人民币)
  • 规格:SV015IG5-4
  • 发货地:上海
  • 品牌:
  • 最小起订量:1件
  • 诚信商家
    会员级别:钻石会员
    认证类型:企业认证
    企业证件:通过认证

    商铺名称:龙薇自动化科技(上海)有限公司

    联系人:张先生(先生)

    联系手机:

    固定电话:

    企业邮箱:1103072830@qq.com

    联系地址:上海市青浦区振盈路63号1005室

    邮编:

    联系我时,请说是在电子快手网上看到的,谢谢!

    商品详情

      韩国LS(LG) SV015IG5-4? 1.5KW 矢量变频器 原装正品

      该产品的一般特性


      • 功率 / 电压等级:


      0.37~1.5 kW, 200-230VAC, 1相

      0.37~4.0 kW, 200-230VAC, 3相

      0.37~4.0 kW, 380-460VAC, 3相


      • 防护等级: IP00 ~ IP20
      • 变频器类型: 采用IGBT的PWM控制
      • 控制方式: V/F空间矢量技术
      • 内置:RS-485
      • 内置:ModBus-RTU
      • 内置:PID 控制
      • 远程控制盘 (可读写参数)
      • 0.5Hz 输出150% 转矩
      • 防失速功能
      • 8 步速控制
      • 3 段跳跃频率
      • 3 个多功能输入
      • 1 个多功能输出
      • 模拟输出 (0~10V)
      • PNP and NPN 双方向信号
      • 速度跟踪
      • 3 线运行
      • 1 到10 kHz 载波频率
      • 内置制动单元


      选件


      • 手动/自动转矩补偿 一般特性 远程控制盘电缆(2,3 和 5 米)
      • 易安装的导



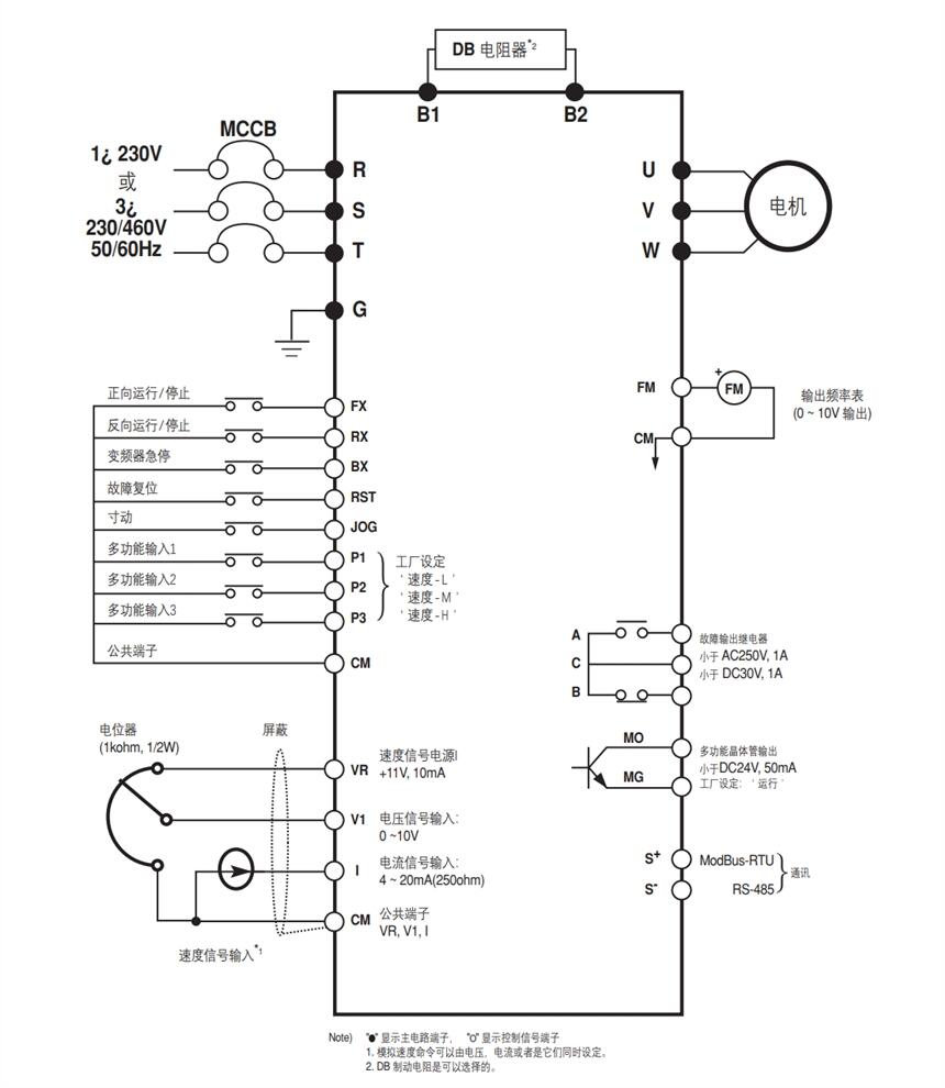
      该产品接线图



    0571-87774297