昶旺第三代IP65无心磨床数控机床防水防潮防尘专用全密闭变频器
昶旺第三代IP65无心磨床数控机床防水防潮防尘专用全密闭变频器
产品价格:¥3331.00(人民币)
  • 规格:完善
  • 发货地:浙江嘉兴
  • 品牌:
  • 最小起订量:1
  • 免费会员
    会员级别:试用会员
    认证类型:企业认证
    企业证件:通过认证

    商铺名称:上海昶旺自动化设备有限公司

    联系人:()

    联系手机:

    固定电话:

    企业邮箱:2319182922@qq.com

    联系地址:上海市宝山区罗芬路689弄40号F14区106室

    邮编:

    联系我时,请说是在电子快手网上看到的,谢谢!

    商品详情
      产品参数
      品牌昶旺
      颜色深灰色
      外形尺寸H*W*D405*270*215MM
      数量20台
      封装纸箱
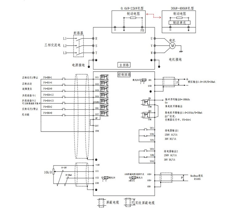
      功率22KW
      电压380V
      输出电流45A
      应用场合环境潮湿粉尘场合
      产品特色防潮防尘防腐防油污
      INPUT3PH AC380V
      OUTPUT3PH AC380V 400HZ
      匹配电机22KW
      环境温度-10-40°
      产地上海
      厂家上海昶旺自动化设备有限公司
      批号74445
      可售卖地北京;天津;河北;山西;内蒙古;辽宁;吉林;黑龙江;上海;江苏;浙江;安徽;福建;江西;山东;河南;湖北;湖南;广东;广西;海南;重庆;四川;贵州;云南;西藏;陕西;甘肃;青海;宁夏;新疆
      型号CWVC8000-022P3














    0571-87774297