蓝深污泥搅拌机QJB4/12-620/3-480S带提升架
蓝深污泥搅拌机QJB4/12-620/3-480S带提升架
产品价格:¥16888(人民币)
  • 规格:QJB4/12-620/3-480S
  • 发货地:江苏南京
  • 品牌:
  • 最小起订量:1台
  • 免费会员
    会员级别:试用会员
    认证类型:企业认证
    企业证件:通过认证

    商铺名称:南京蓝深制泵(集团)股份有限公司

    联系人:蓝深(先生)

    联系手机:

    固定电话:

    企业邮箱:lanshen@qq.com

    联系地址:南京市六合区雄州东路

    邮编:

    联系我时,请说是在电子快手网上看到的,谢谢!

    商品详情

      蓝深污泥搅拌机QJB4/12-620/3-480S带提升架

      蓝深QJB4/12潜水搅拌机能在全浸没的条件下连续运行、间歇运行,潜水搅拌器在整个运行过程中须保持无振动平稳运行,产品设计使用寿命15年,无故障运行时间8000小时。

      每台潜水搅拌机能在污水中工作,推动污水的流动。

      潜水搅拌机转动平衡自如,无卡死,停滞,振动等现象。

      潜水搅拌机应作密封气压实验,实验压力为3kg/cm2,历时5分钟无泄漏现。

      每台潜水搅拌机配备不锈钢导杆和不锈钢钢丝绳,使之自由升降及转向。

      1)接线室

      电机接线室的防护等级为IP68,必须与周围的液体完全地密封。

      2)冷却

      电机的冷却通过定子向壳体的热传导来完成。

      3)轴封

      采用独立的高质量密封系统。以确保在下密封失效,液体进入定子室时,也不会与轴承和定子接触。机械密封采用耐腐蚀碳化硅/碳化硅,介质酸碱度范围为pH6-9。机械密封应该是免维护的,应能抵抗热冲击,并具有良好紧急运行的特点。

      机械密封采用碳化钨材质,使用寿命不低于25000小时。

      4)轴

      电机轴传动为一根轴,轴可靠的密封而不与液体接触。

      5)潜水搅拌器叶轮

      采用推进式反扭曲曲线设计,叶轮为冲压式结构,结构轻、强度高,具有优良的平衡性,经过优化的叶轮曲面,具备自清洁功能,使叶轮避免阻塞结渣。

      配置导流罩,可起到整流作用,增加轴向流量及方向性,加大循环流量。

      6)电机

      电机应为三相鼠笼电机,3380V50Hz,防护等级IP68,绝缘等级F。电机应在大搅拌载荷下,都不会出现过载。电机每小时启动不小于15次,并且定子绕组的平均温升不超过80℃。定子应热压嵌入定子室,不能采用需在定子室上钻孔的螺栓,销子及其它连接装置。

      7)轴承

      叶轮轴由一个双列角接触球轴承和一个单列深沟球轴承支撑,为确保长期、可靠运行,选用NSK进口轴承,使用寿命不低于100000小时。

      8)电缆和电缆密封

      电机应配有用于控制和动力水下电缆,并进行可靠的密封。如果动力电缆是多芯电缆,则每根电缆还要进行单独密封。电缆应伸进接线室,并用可重复使用的橡胶密封件密封,不允许使用树脂或其它罐装密封材料密封。每根电缆应配有电缆网兜或电缆夹,用以将电缆悬挂在挂钩上,并承受电缆的自重量。

      9)泄漏传感器

      在密封腔内提供一个探测液体泄漏的传感器。所有讯号都应分别监测并在叶轮或电机出现严重损坏前分别发出报警讯号。

      10)热保护

      电机的每一相均由常闭型温度传感器保护,三个传感器应串联联结,这些传感器都应在摄氏140℃时保护相连接,并接至控制柜,与控制柜连接。

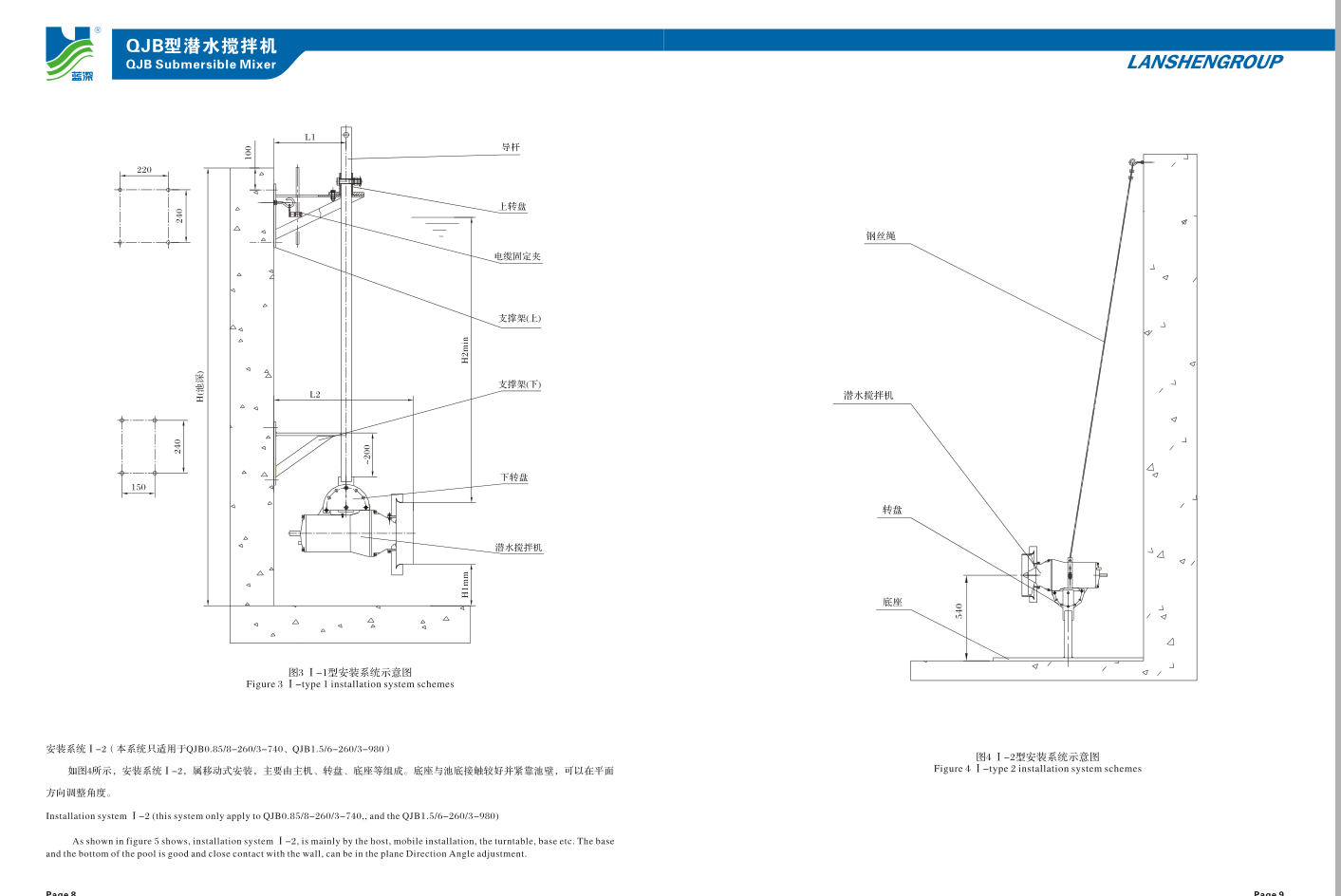
      11)安装提升系统

      蓝深集团提供潜水搅拌机全部的安装及紧固材料,安装系统应包括导轨、钢丝绳,并要有臂式起吊架和手摇式卷升装置。

      3. 蓝深污泥搅拌主要材料

      电机壳体:                 铸铁HT200

      螺旋桨:                   不锈钢316L及以上

      螺旋桨轴:                 不锈钢420

      机械密封:                  耐腐蚀碳化硅/碳化硅

      钢丝绳:                    不锈钢304及以上

      螺栓、螺母、垫圈:          不锈钢304

      导轨、支架:                不锈钢304

      起吊架:          不锈钢304

      配套304不锈钢现场控制箱使用,一控一,带PLC信号接口  

       


      蓝深污泥潜水搅拌机配套控制柜均要求采用高性能变频器,同一变频器内部应同时包含压频比V/F(2点和3点式)、无PG开环矢量控制、平方性负载控制方式、节能模式,以方便工程商的调试。特别需要指出,为了体现变频器节能效果,满足国家的节能政策方针,需要变频器能够采用是适合驱动风机泵负载的控制方式。便于操作维护,不同功率的变频器必须同一系列。

      (2)在变频器出现非硬件故障时,变频器可以选择停机方式(自由停机/故障停机);直到该故障被恢复,变频器重新恢复正常控制,减少意外停机次数。

      (3)变频器需具有密码锁功能,防止意外修改参数。

      (4)要求变频器具备间断自动跳跃功能,避免出现机械共振,应该具有至少3个跳跃频率。

      (5)变频器具有过电压,过电流,欠电压,电源缺相,变频器过载,变频器过热,电机过载,等保护功能;防护等级不低于IP20,设置控制柜中。

      (6)变频器所产生的总谐波电流畸变THDI(%)应不超过40%;输入端基波电流系数满载时不低于90%,在任何负载条件下,变频器的效率应不低于0.95,功率因数在变频器调速范围内应不低于0.90。

      (7)变频器防电磁干扰能力


    0571-87774297