日本Ulvac爱发科真空泵干式无油旋片泵VDN301售后维修保养
日本Ulvac爱发科真空泵干式无油旋片泵VDN301售后维修保养
产品价格:¥7200.00(人民币)
  • 规格:GLD-N137
  • 发货地:江苏苏州
  • 品牌:
  • 最小起订量:1
  • 免费会员
    会员级别:试用会员
    认证类型:企业认证
    企业证件:通过认证

    商铺名称:昆山御之冠机电科技有限公司

    联系人:叶娟(小姐)

    联系手机:

    固定电话:

    企业邮箱:2218562941@qq.com

    联系地址:昆山市花桥镇蓬青路888号立德企业家园区32号楼1室

    邮编:

    联系我时,请说是在电子快手网上看到的,谢谢!

    商品详情
      产品参数
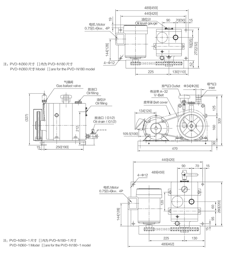
      流量100
      型号VDN301
      原理旋片式
      材质铸铁
      电压380
      重量29
      驱动方式电动
      电机0.4kw
      输送介质空气
      品牌ULVAC爱发科
      压力0.67pa










    0571-87774297