安科瑞AEM96/C多功能电能计量装置 2~31次谐波表 高精度谐波表
安科瑞AEM96/C多功能电能计量装置 2~31次谐波表 高精度谐波表
产品价格:¥980(人民币)
  • 规格:AEM96/C
  • 发货地:江苏
  • 品牌:
  • 最小起订量:1台
  • 免费会员
    会员级别:试用会员
    认证类型:企业认证
    企业证件:通过认证

    商铺名称:安科瑞电气股份有限公司

    联系人:张星(小姐)

    联系手机:

    固定电话:

    企业邮箱:906214202@qq.com

    联系地址:马陆镇马东工业园区育绿路253号

    邮编:201801

    联系我时,请说是在电子快手网上看到的,谢谢!

    商品详情

      1  概述

       

      AEM96 三相多功能电能表,是一款主要针对电力系统,工矿企业,公用设施的电能统计、管理需求而设计的智能电能表,其具有精度高、体积小、安装方便等优点;针对某些施工现场不允许停电作业的情况,推出 AEM96-CT 三相多功能电能表方案。AEM96 和 AEM96-CT三相多功能电能表,均集成全部电力参数测量及quan面的电能计量及考核管理,提供上 24 时、上 31 日以及上 12 月的各类电能数据统计。具有 31 次分次谐波与总谐波含量检测,带有开关量输入和继电器输出可实现“遥信”和“遥控”功能,并具备报警输出,可广泛应用于各种控制系统,SCADA 系统和能源管理系统中。两款产品均符合国家标准 GB/T 17215.322-2008

      《第 22 部分:0.2S 级和 0.5S 级静止式有功电能表》和协议 DLT645-2007 的要求 。

       

       

       

       

       

      4  外形及安装尺寸 ( 单位 :mm )

      4.1 AEM96 外形尺寸

       

       

      4.2 外置互感器外形尺寸(AKH-0.66/K-15 互感器)

      AEM96-CT 由仪表主体 AEM96 和外置电流互感器组成,采用嵌入式安装方式,外形及开孔尺寸同上,其外置互感器( (AKH-0.66/K-15)外形尺寸如下图所示。

       

       

      5  接线与安装

      5.1 接线方式

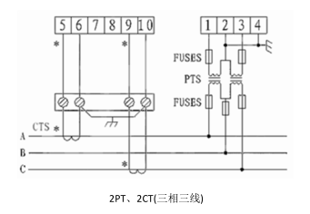
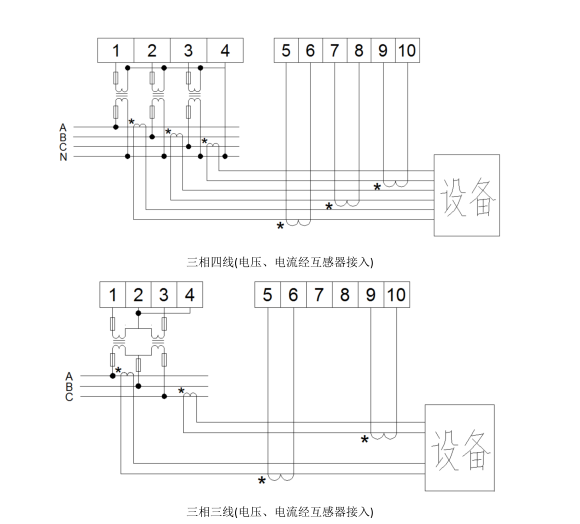
      AEM96 和 AEM96-CT 均可采用三相四线经电流互感器接入、三相三线经电流互感器接入、三相四线经电压电流互感器接入和三相三线经电流电压互感器接入四种接线方式。

      5.1.1 AEM96 电压、电流信号端子

       

       

      5.1.2 AEM96-CT 电压、电流信号端子

       

       

       

       

      5.2 开关量输入/输出端子

      开关量输入是均采用开关信号输入方式,仪表内部配备+12V 的工作电源,无须外部供电。当外部接通或断开时,经过仪表开关输入模块采集其接通或断开信息并通过仪表本地显示。开关量输入不仅能够采集和显示本地的开关信息,同时可以通过仪表的 RS485 实现远程传输功能,即“遥信”功能。开关量输出为继电器输出,可实现“遥控”和报警输出。

       

    0571-87774297