长高高压电力ZW20-12FG\/630-20看门狗10KV户外真空断路器
长高高压电力ZW20-12FG\/630-20看门狗10KV户外真空断路器
产品价格:¥8200.00(人民币)
  • 规格:可开具
  • 发货地:浙江温州
  • 品牌:
  • 最小起订量:1
  • 免费会员
    会员级别:试用会员
    认证类型:企业认证
    企业证件:通过认证

    商铺名称:江西长高高压电力设备有限公司

    联系人:龙玲(小姐)

    联系手机:

    固定电话:

    企业邮箱:longlong8188@163.net

    联系地址:江西省南昌市南昌高新技术产业开发区绿地新都会紫峰大厦

    邮编:330000

    联系我时,请说是在电子快手网上看到的,谢谢!

    商品详情
      产品参数
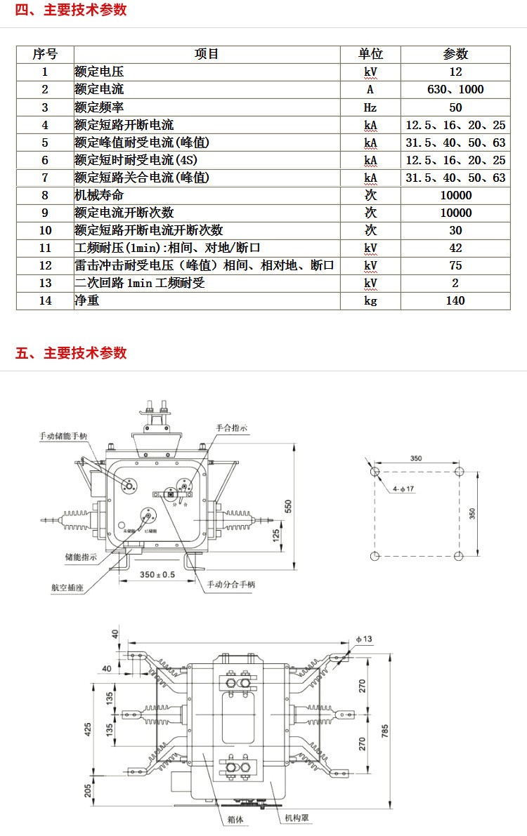
      长高高压电力ZW20-12FG/630-20 看门狗10KV户外真空断路器 极数3P
      机械寿命10000次
      额定频率50Hz
      适用范围户外
      灭弧方式真空断路器
      是否进口
      适用场所户外
      产品名称真空断路器
      额定电压12KV
      响应时间0.03
      额定电流630A
      最小包装数1
      封装
      数量9999
      批号15649
      品牌长高






    0571-87774297