日立能源IGBT模块5SNA1000N330300(1000A\/3300V)
日立能源IGBT模块5SNA1000N330300(1000A\/3300V)
产品价格:¥9.90(人民币)
  • 规格:完善
  • 发货地:湖北武汉
  • 品牌:
  • 最小起订量:1
  • 免费会员
    会员级别:试用会员
    认证类型:企业认证
    企业证件:通过认证

    商铺名称:武汉科美芯电气有限公司

    联系人:李可(先生)

    联系手机:

    固定电话:

    企业邮箱:cy@whkmx.com

    联系地址:

    邮编:

    联系我时,请说是在电子快手网上看到的,谢谢!

    商品详情
      产品参数
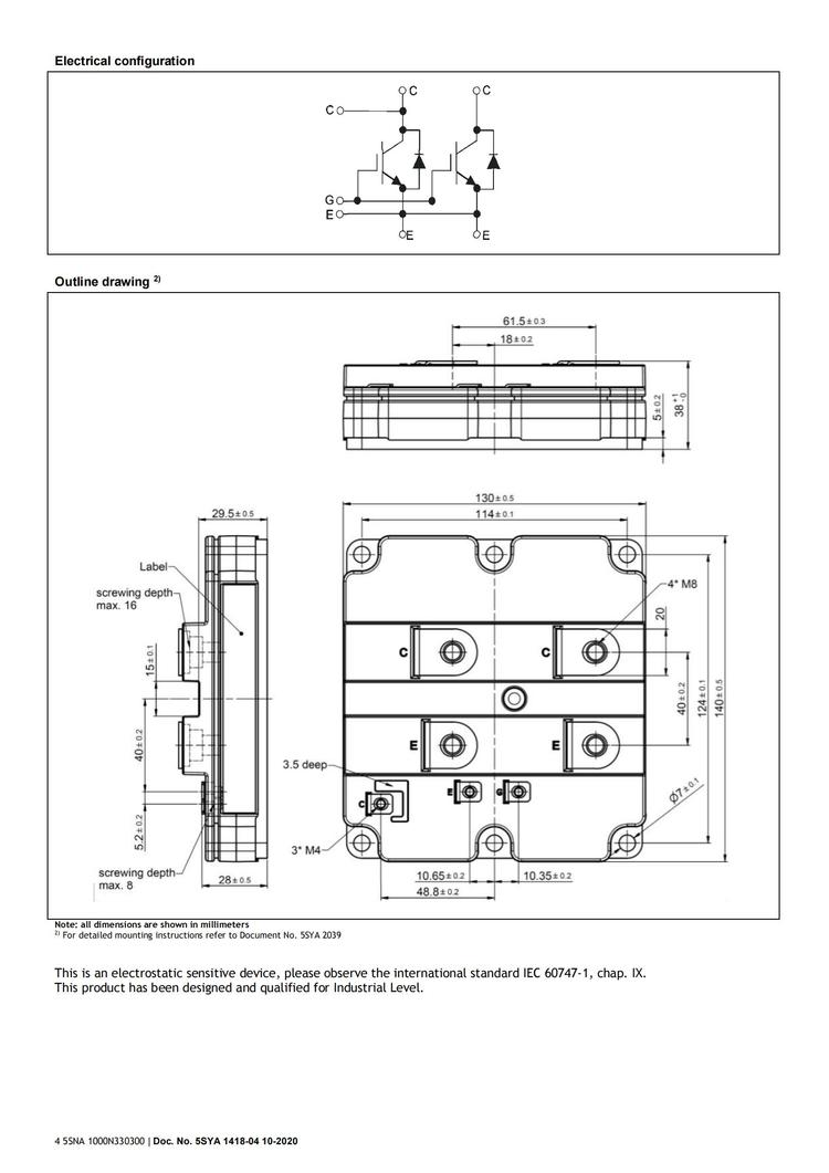
      日立能源 IGBT模块 5SNA 1000N330300(1000A/3300V) 品牌日立能源
      包装盒装
      产品种类IGBT模块
      集电极-发射极电压3300V
      封装HiPak
      集电极电流1000A
      数量2000
      配置咨询商家
      产地瑞士
      批号2023
      可售卖地全国
      型号5SNA 1000N330300




    0571-87774297