HC1W不锈钢增压器miniBOOSTER品牌汉达森德国公司销售
HC1W不锈钢增压器miniBOOSTER品牌汉达森德国公司销售
产品价格:¥1(人民币)
  • 规格:HC1W不锈钢增压器miniBOOSTER品牌
  • 发货地:本地至全国
  • 品牌:
  • 最小起订量:1件
  • 诚信商家
    会员级别:标准会员
    认证类型:企业认证
    企业证件:通过认证

    商铺名称:北京汉达森机械技术有限公司

    联系人:祁佳强()

    联系手机:

    固定电话:

    企业邮箱:2850590582@qq.com

    联系地址:北京市朝阳区望京广顺北大街222号星源国际B座1707

    邮编:100000

    联系我时,请说是在电子快手网上看到的,谢谢!

    商品详情

      HC1W不锈钢增压器miniBOOSTER品牌汉达森德国公司销售





      HC1W
      版本:9种不同的增压系数

      P in20 - 207 bar(入口压力)

      PRETURN:尽可能低(回油箱压力)

      PH800 bar(出口压力)

      POUTLETPH =PIN - PRETURN×I(强化)

      安装:内联管

      A=没有放泄阀

      B=带放空阀

      G模型=直接按比例控制

      材料证书3.1的要求。

      描述

      HC1W是紧凑的miniBOOSTER 316L不锈钢,重量只有0.7公斤。 它非常适合用于需要将设备安装在工具,电源组件或其他设备上的应用。

      HC1W将供油压力提高到更高的出口压力,并自动补偿油的消耗量以保持高压。 出口压力的调节是通过改变供应压力来进行的。

      增压系数
       i 

      出口流量
       l/min 

      入口流量

       l/min 

       1.2 

       0.5 

       8.0 

       1.5 

       0.5 

       8.0 

       2.0 

       0.5 

       8.0 

       2.8 

       0.5 

       8.0 

       3.3 

       0.5 

       8.0 

       4.0 

       0.4 

       8.0 

       4.8 

       0.4 

       8.0 

       6.2 

       0.3 

       8.0 

       7.5 

       0.3 

      8.0


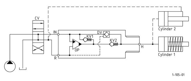
      当在高压侧H达到泵压时,阀KV1KV2DV将关闭。 终压力将由摆动泵单元OP实现。 当达到高压侧H的终压力时,装置将自动失速。 如果由于消耗或泄漏导致高压侧压力降,则OP阀将自动运行以保持终压力。

      功能图


      连接方式

      连接

      IN / R

      H

      1

      1/8" BSPP

      1/4" BSPP

      紧固扭矩 BSPP

      IN / R

      H

      1/8" BSPP

      1/4" BSPP

      不锈钢垫圈

      2.0 da/Nm

      4.0 da/Nm

      带切边

      2.0 da/Nm

      4.0 da/Nm

      紧固扭矩UNF

      IN / R

      H

      3/8-24" UNF

        9/16-18" UNF

      O型全

      1.5 da/Nm

      3.5 da/Nm

      流体和材料

      请参阅:一般规格



      北京汉达森国际贸易有限公司是一家专业从事欧洲工业产品进口贸易的公司。主要产品有工业自动化设备、

      机电设备、液压设备、电气设备和零部件等产品。公司总部于2007年在德国成立。公司自成立以来,一直以

      德国公司的身份为国内一些贸易商,设备商及终端客户提供产品代购服务。

      我们的优势:

      1)渠道广泛,国内有代理,或者有客户保护厂家不卖的产品,只要您能提供型号,我们同样可以从德国的分

      销商来采购。

      2)价格合理,绕过层层代理,限度的让利给客户。

      3)直接从德国厂家采购,保证所有产品均为原装正品。

      4)德国仓库每周三统一拼箱发货,极大节约了物流成本。

      5)德国工程师为您提供专业的售前及售后技术咨询服务。

      北京汉达森代理产品:

      代理产品:

      意大利 Burocco 阀门
      瑞典  Transmotec 电机
      德国 Grindaix 润滑系统
      意大利 Unimec 减速机
      德国Statron  电源
      德国Walter Nuding 交换器
      英国novatech诺瓦控制仪
      德国HADEF哈德弗
      瑞典Ankarsrum电机 铸件
      德国Statron施塔托恩 电源
      德国NUDING 诺丁 散热器
      优势品牌

      Maedler、Behlke、MBS、Burocco、ASO、Ecia、Inor、Ziehl、Steinel、Schimpf、Ankarsrum

      、Spieth、perma-tec、Dr. Kaiser、Torwegge、Netter Vibration、JAKOB Antriebstechnik、

      Vivoil、CO-AX、HADEF、FRIEDRICHS、Rollon、Rotech、R+W Antriebselemente、Unimec、IPR、

      Gutekunst、FIBRO、Tognella、Vibro-Meter、Staubli(Staeubli)、Norelem、Ringspann、Funke、

      MULTI-CONTACT、amtec、Elbe Holding、ACLA、Icar、Poeppelmann、Maxon International、

      Maximator、Fuchs、Riegler、HAHN KOLB、Argus、Otto Ganter、Universal、Engler、Eltex、

      Janitza、Elaflex、Nilos-Ring

      Kraus & Naimer、Kendrion、Beta、Murtfeldt、Dunkermotoren、Danfoss Bauer、Celsa、

      Grassner(Gr?ssner)、Sartorius、Kuhnke、Mayr、KTR、Rose+Krieger、GSR、maxon Motor、

      TEMATEC

      Gefeg-Neckar、GWB/GKN、Stahl、Romer(Roemer)、Zarges、Settima、Donaldson、Pflitsch

      Interpump、Stabilus、Ina、Bühler Technologies、Kissling




      北京汉达森机械技术有限公司/选型及规格情况请联系17718588643 !!!

      德国本土采购,拼箱发货报关,德国技术支持,终身售后服务,货期保证,价格优惠,质量保证,货期准确!

    0571-87774297