商铺名称:江苏安科瑞电器制造有限公司
联系人:曾亚妮(小姐)
联系手机:
固定电话:
企业邮箱:2881068604@qq.com
联系地址:江阴市南闸镇东盟工业园东盟路5号
邮编:
联系我时,请说是在电子快手网上看到的,谢谢!
产品简介
??功能:
??ANAPF系列有源电力滤波器通过电流互感器采集系统谐波电流,经控制器快速计算并提取各次谐波电流的含量,产生谐波电流指令,通过功率执行器件产生与谐波电流幅值相等方向相反的补偿电流,并注入电力系统中,从而抵消非线性负载所产生的谐波电流。
??应用范围:
??适用于并联在含谐波负载的低压配电系统中,能够对动态变化的谐波电流进行快速实时的跟踪和补偿。
??订货范例:
??具体型号:ANAPF150-380/BGL
??技术要求:谐波补偿电流150A,线电压等级380V 。
??接线方式:三相四线
??安装方式:立柜式
??互感器接线方式:负载侧


ANAPF有源电力滤波器模块订单选型表

??(2)安装方式:抽屉式默认配7寸柜门屏(柜门开孔192mm×138mm),壁挂式默认配4.3寸模块屏。
??(3)触摸屏: ?7寸柜门屏可控制多个模块,可选配通讯功能。4.3寸模块屏仅控制本模块,无通讯功能。
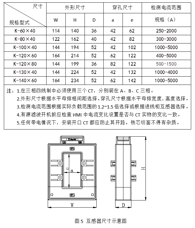
??(4)互感器: ?每套APF容量默认配一套(3只)互感器,如需两套互感器,请在备注要求中备注。
??(5)开口互感器型号:互感器具体型号选择见《APF互感器选用手册》。
??订货范例:ANANPF200-380/①相线:三相四线(B);②安装方式:抽屉(C);③互感器安装位置:负载侧(L);④触摸屏:不带通讯; ?⑤互感器:1组; ⑥调试:含调试;⑦运费:含运费;⑧设备套数:2套
??根据选型表,确定详细订货型号为:ANAPF200-380/BCL ? 2套